扭力倍增器

产品单页 返回列表

多种连接方式
采用特殊工艺制作,确保输出稳定
以下标*的为定制产品

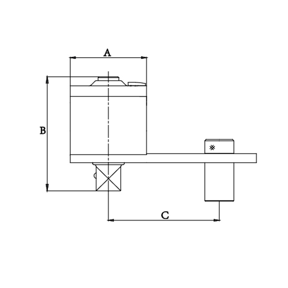
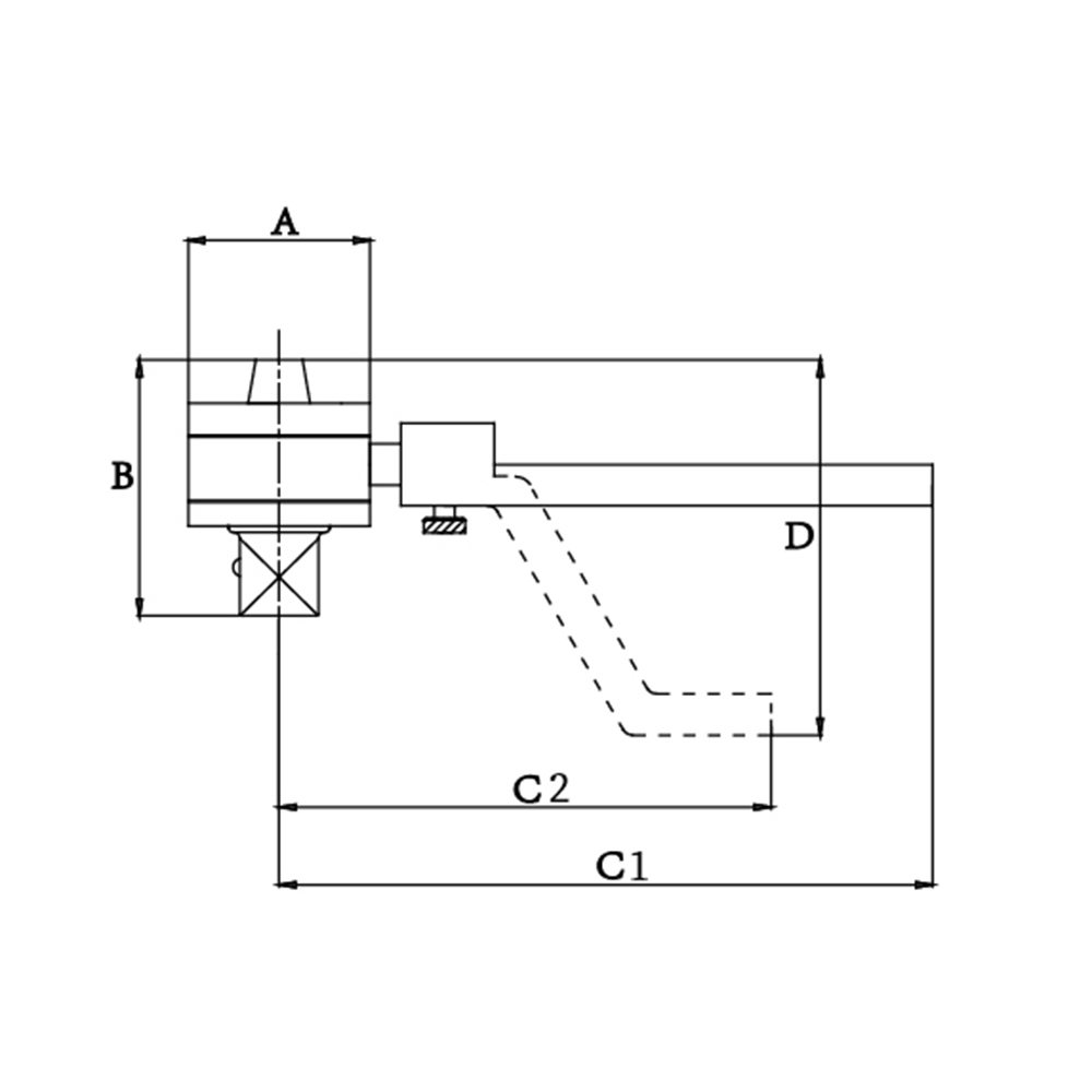
  • 编号 规格
    (N.m)
    重量
    (kg)
    A
    (mm)
    B
    (mm)
    C
    (mm)
    驱动—输出倍比反力臂重
    (kg)
    包装数量
  • E0993 10008.21189882—1961/21:51.21
  • E0994 15008.711811582—1961/2"—1"1:51.21
  • E0992* 250010.111815082—1961/201:251.21
  • E0995* 350010.311816482—1961/2"—11/2"01:251.21
  • E0996* 400011.211817682—1961/2"—11/2"01:251.21
  • E0997* 600021.3140214105—2541/2"—11/2"01:2531
  • E0998* 800031182228125—2941/2"—11/2"01:2531